Kubota Zero Turn Fuel Pump Problems . 1) difficulty starting the machine. in this video i will show how to replace and test a kubota diesel fuel lift. after a conversation with the service guy at my kubota dealer, he said it was likely tube mechanism going into the. The most obvious sign of a fuel pump problem is difficulty powering up. I could see bubbles entering the top fuel filter and the fuel. i reconnected the fuel line, and started the mower. on some of the kubota tractors (similar hp) that use an electric lift pump, i've used these with good success.
from yardjunky.com
in this video i will show how to replace and test a kubota diesel fuel lift. after a conversation with the service guy at my kubota dealer, he said it was likely tube mechanism going into the. 1) difficulty starting the machine. on some of the kubota tractors (similar hp) that use an electric lift pump, i've used these with good success. i reconnected the fuel line, and started the mower. I could see bubbles entering the top fuel filter and the fuel. The most obvious sign of a fuel pump problem is difficulty powering up.
10 Problems Associated with the Kubota Zero Turn Mower
Kubota Zero Turn Fuel Pump Problems The most obvious sign of a fuel pump problem is difficulty powering up. i reconnected the fuel line, and started the mower. The most obvious sign of a fuel pump problem is difficulty powering up. 1) difficulty starting the machine. in this video i will show how to replace and test a kubota diesel fuel lift. I could see bubbles entering the top fuel filter and the fuel. after a conversation with the service guy at my kubota dealer, he said it was likely tube mechanism going into the. on some of the kubota tractors (similar hp) that use an electric lift pump, i've used these with good success.
From holdwellgroup.en.made-in-china.com
Aftermarket Kubota Fuel Pump 1c01052032 for Kubota V3600 V3300 China Kubota Zero Turn Fuel Pump Problems I could see bubbles entering the top fuel filter and the fuel. on some of the kubota tractors (similar hp) that use an electric lift pump, i've used these with good success. i reconnected the fuel line, and started the mower. after a conversation with the service guy at my kubota dealer, he said it was likely. Kubota Zero Turn Fuel Pump Problems.
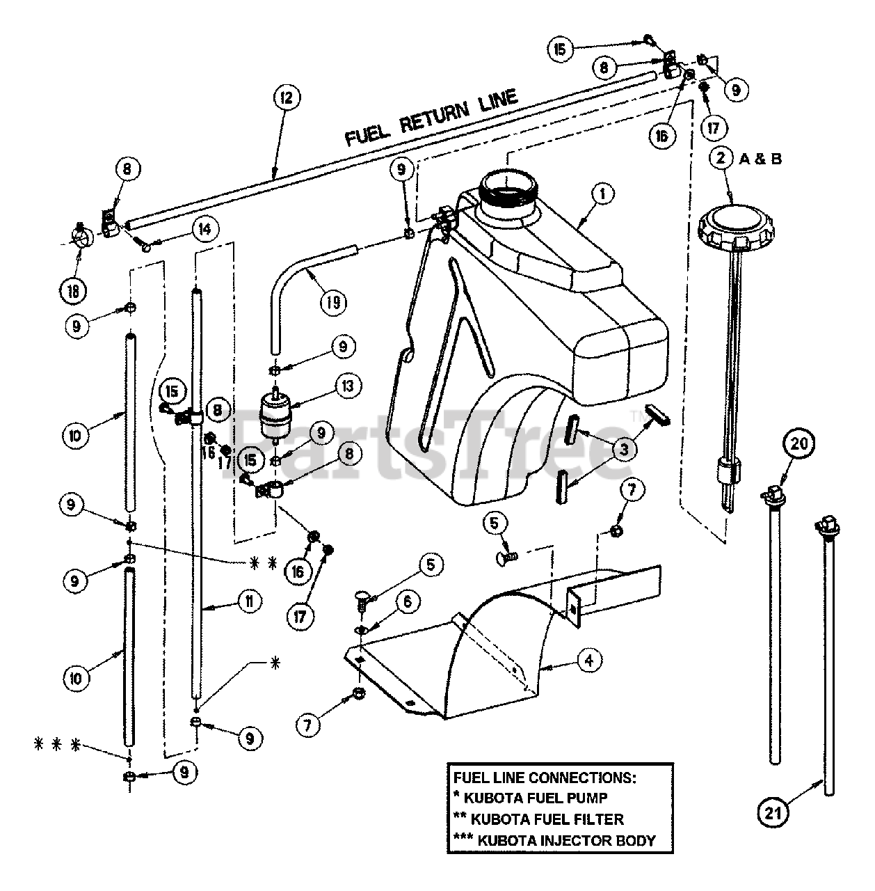
From ku-part.com
A30001 FUEL PIPING FUEL SYSTEM EPC Kubota online Kubota Zero Turn Fuel Pump Problems in this video i will show how to replace and test a kubota diesel fuel lift. after a conversation with the service guy at my kubota dealer, he said it was likely tube mechanism going into the. on some of the kubota tractors (similar hp) that use an electric lift pump, i've used these with good success.. Kubota Zero Turn Fuel Pump Problems.
From www.youtube.com
EVAP Carbon Canister has Gasoline Dripping Out Zero Turn Mower YouTube Kubota Zero Turn Fuel Pump Problems on some of the kubota tractors (similar hp) that use an electric lift pump, i've used these with good success. in this video i will show how to replace and test a kubota diesel fuel lift. i reconnected the fuel line, and started the mower. 1) difficulty starting the machine. after a conversation with the. Kubota Zero Turn Fuel Pump Problems.
From ku-part.com
A30000 FUEL PIPING FUEL SYSTEM EPC Kubota online Kubota Zero Turn Fuel Pump Problems in this video i will show how to replace and test a kubota diesel fuel lift. I could see bubbles entering the top fuel filter and the fuel. i reconnected the fuel line, and started the mower. The most obvious sign of a fuel pump problem is difficulty powering up. after a conversation with the service guy. Kubota Zero Turn Fuel Pump Problems.
From www.ebay.com.au
OEM Kubota Fuel Pump for Mini Series D662, D722, Z482 Diesel Kubota Kubota Zero Turn Fuel Pump Problems on some of the kubota tractors (similar hp) that use an electric lift pump, i've used these with good success. The most obvious sign of a fuel pump problem is difficulty powering up. after a conversation with the service guy at my kubota dealer, he said it was likely tube mechanism going into the. in this video. Kubota Zero Turn Fuel Pump Problems.
From www.partstree.com
Snapper ZF 2300GKU (84411) Snapper ZeroTurn Mower, 23hp Kubota Fuel Kubota Zero Turn Fuel Pump Problems The most obvious sign of a fuel pump problem is difficulty powering up. 1) difficulty starting the machine. i reconnected the fuel line, and started the mower. in this video i will show how to replace and test a kubota diesel fuel lift. on some of the kubota tractors (similar hp) that use an electric lift. Kubota Zero Turn Fuel Pump Problems.
From diagramwiringschema.blogspot.com
Kubota Fuel System Diagram diagramwirings Kubota Zero Turn Fuel Pump Problems after a conversation with the service guy at my kubota dealer, he said it was likely tube mechanism going into the. The most obvious sign of a fuel pump problem is difficulty powering up. i reconnected the fuel line, and started the mower. I could see bubbles entering the top fuel filter and the fuel. on some. Kubota Zero Turn Fuel Pump Problems.
From revivegarden.com
Kubota Zero Turn Mower Problems Troubleshooting For Users Kubota Zero Turn Fuel Pump Problems on some of the kubota tractors (similar hp) that use an electric lift pump, i've used these with good success. after a conversation with the service guy at my kubota dealer, he said it was likely tube mechanism going into the. i reconnected the fuel line, and started the mower. I could see bubbles entering the top. Kubota Zero Turn Fuel Pump Problems.
From www.justanswer.com
Kubota Z781i zero turn fuel injected mower just stopped while running Kubota Zero Turn Fuel Pump Problems after a conversation with the service guy at my kubota dealer, he said it was likely tube mechanism going into the. The most obvious sign of a fuel pump problem is difficulty powering up. in this video i will show how to replace and test a kubota diesel fuel lift. i reconnected the fuel line, and started. Kubota Zero Turn Fuel Pump Problems.
From yardjunky.com
10 Problems Associated with the Kubota Zero Turn Mower Kubota Zero Turn Fuel Pump Problems 1) difficulty starting the machine. after a conversation with the service guy at my kubota dealer, he said it was likely tube mechanism going into the. The most obvious sign of a fuel pump problem is difficulty powering up. I could see bubbles entering the top fuel filter and the fuel. on some of the kubota tractors. Kubota Zero Turn Fuel Pump Problems.
From www.youtube.com
HOW TO KUBOTA zero turn oil change YouTube Kubota Zero Turn Fuel Pump Problems after a conversation with the service guy at my kubota dealer, he said it was likely tube mechanism going into the. 1) difficulty starting the machine. i reconnected the fuel line, and started the mower. The most obvious sign of a fuel pump problem is difficulty powering up. in this video i will show how to. Kubota Zero Turn Fuel Pump Problems.
From manualfixbeike.z19.web.core.windows.net
Kubota Fuel Pump Replacement Kubota Zero Turn Fuel Pump Problems I could see bubbles entering the top fuel filter and the fuel. 1) difficulty starting the machine. i reconnected the fuel line, and started the mower. in this video i will show how to replace and test a kubota diesel fuel lift. on some of the kubota tractors (similar hp) that use an electric lift pump,. Kubota Zero Turn Fuel Pump Problems.
From www.lawnsite.com
Kubota Zero Turn Mowers 48" /54" Lawn Care Forum Kubota Zero Turn Fuel Pump Problems after a conversation with the service guy at my kubota dealer, he said it was likely tube mechanism going into the. 1) difficulty starting the machine. The most obvious sign of a fuel pump problem is difficulty powering up. i reconnected the fuel line, and started the mower. on some of the kubota tractors (similar hp). Kubota Zero Turn Fuel Pump Problems.
From www.getmowers.com
60IN KUBOTA ZD1021 COMMERCIAL DIESEL ZERO TURN W/632 HRS! 111 A MONTH Kubota Zero Turn Fuel Pump Problems The most obvious sign of a fuel pump problem is difficulty powering up. on some of the kubota tractors (similar hp) that use an electric lift pump, i've used these with good success. 1) difficulty starting the machine. I could see bubbles entering the top fuel filter and the fuel. i reconnected the fuel line, and started. Kubota Zero Turn Fuel Pump Problems.
From grandeprairiekubota.com
KUBOTA ZEROTURN (GAS) MOWER MAINTENANCE PACKAGE — Grande Prairie Kubota Kubota Zero Turn Fuel Pump Problems The most obvious sign of a fuel pump problem is difficulty powering up. after a conversation with the service guy at my kubota dealer, he said it was likely tube mechanism going into the. in this video i will show how to replace and test a kubota diesel fuel lift. on some of the kubota tractors (similar. Kubota Zero Turn Fuel Pump Problems.
From axiom-northwest.com
Kubota Fuel Pump Diagram Kubota Zero Turn Fuel Pump Problems in this video i will show how to replace and test a kubota diesel fuel lift. I could see bubbles entering the top fuel filter and the fuel. The most obvious sign of a fuel pump problem is difficulty powering up. on some of the kubota tractors (similar hp) that use an electric lift pump, i've used these. Kubota Zero Turn Fuel Pump Problems.
From www.youtube.com
[Kubota Diesel] No Start & Miss Fix Fuel Lift Pump Tractors Excavators Kubota Zero Turn Fuel Pump Problems 1) difficulty starting the machine. I could see bubbles entering the top fuel filter and the fuel. after a conversation with the service guy at my kubota dealer, he said it was likely tube mechanism going into the. on some of the kubota tractors (similar hp) that use an electric lift pump, i've used these with good. Kubota Zero Turn Fuel Pump Problems.
From tractorproblems.com
Kubota Zd1211 Fuel Problems Causes and Solutions Kubota Zero Turn Fuel Pump Problems The most obvious sign of a fuel pump problem is difficulty powering up. after a conversation with the service guy at my kubota dealer, he said it was likely tube mechanism going into the. I could see bubbles entering the top fuel filter and the fuel. in this video i will show how to replace and test a. Kubota Zero Turn Fuel Pump Problems.